ドラムシンセが流行っている..

denha さんのsynth drum miniのデモンストレーション

僕がアナログシンセの勉強を始める何年も前から、アナログシンセの情報を集めたコユイページを製作されているかたがいらっしゃる。

youtubeのほうでも(denha さんのチャンネル)積極的に活動されてらっしゃって、特に昨年(2008年)の「シンセサイザーフェスタ 2008」前後から、ドラムシンセをいくつか製作されている。 昨年発売になった、国産最後のアナログシンセ、「学研」のSX-150の大ヒットも手伝って、初心者が、SX-150からアナログシンセDIYに足を突っ込んで、氏のドラムシンセご覧になって「ウフフ、やってみようかな」という構図が、もう止めようの無い流れになって、アナログシンセDIY界では、ドラムシンセ嵐がふきあれてるかな?

ところが、DIYの定番ともいえる回路、

の下のほう、「schematics」のリンクから回路図を拝見することができるんだけど、現在製造されていない部品名がみえたり、他の、比較的初心者向けの製作記事のページなどをいくつかチェックすると今では、入手が難しい、古典的な部品が使われている。
ケースに組み込んだXR-01
ケースに組み込んだXR-01
先日も、僕が何時も遊びに行っているアナログ震世界の「アナログシンセ掲示板」で、どう考えても3080、8038を勘違いされてて、手に入らないーと嘆いてる初心者の方がいたり。
せっかく興味をもっても、実は部品の入手が難しくて、組み立てにくいアイテムだったりしているのがちょっと残念かなぁと。
もちろん、3080も8038も、いくところにいけばちゃんと適正な価格で入手することができるのだけど、いつまでもその状況が続くわけもなく、いつかは流通在庫が枯渇し、ビンテージの機材の修理などを生業にされてるプロフェッショナルの方が本当に困る日が来るのは確実。僕らアマチュアが趣味で楽しむことで、敬愛に値するプロの方たちを困らせるのは、趣味人として、軸がブレているだろうと。
2009年に新規設計するなら、それにふさわしい部品があるんじゃないかなという提案をしてみた。

..にもかかわらず、XR-2206

XR-2206CP
高嶺の花、XR-2206CPゲット!

なんて、大それたことを口にした舌の先が乾く間も無く、アナログシンセDIYerご用達の通販でも有名な、秋月電子通商で、これまで一般に入手の難しかった特殊な部品、「XR-2206」が取り扱われるようになった。

画面右側の、Documentsと言う項目から、仕様書をダウンロードすることができる。これは、矩形波、三角波、サイン波をIC1発で、出力できるという特殊なIC。特にサイン波は、歪率0.5%で出すことができるらしい。実は、周波数固定であれば、低歪率のサイン波を出すのはそんなに難しくない。まだ書きかけで、書き終わる気がしない「タケダノオトVol.3 -3」の、「ウインブリッジ式(豆電球式/ツエナダイオード式)」でも、0.1%ぐらいは平気で出る。
ところが、発振周波数を自由に変えられるサイン波の発振器となると、とたんに難易度が上がって、色々追加な回路が必要になってしまう。IC1発で0.5%はかなり魅力な数字に見てきたりする。もしチャンスがあるのなら、触ってみたいICをあげるなら、上位入賞確実なIC。
ただ、特殊な用途のICには違いなくて、たくさんは売れるわけ無いので、メーカーも、いい値段つけないし、何か特殊な狙いがなければ、流通にもたくさんは出回らない。勢い、アマチュアの手にはなかなか入らない高嶺の花でもあったわけだ、ついこないだまでは。
ケースに組み込んだXR-01
ケースに組み込んだXR-01
でも、何時も利用している秋月電子通商で取り扱うようになるのなら、すでに、手に入りにくいICとはいわねえだろう?いや、5年後も手に入る(メンテナンス性のよさ)かどうかはともかく。アナログシンセ的にはXR-2209が50円で買えるほうがよかたーという声はともかく。400円でも4つまとめたら1600円。ただ、据え膳食わぬは男の恥、そこに山があるから上るのが山男だとすれば、話題のIC、触って見るチャンスを棒に振ったら、それ、DIYerとして軸がブレていると言えるだろう。
denha さんの応援もいただいて、なんか、やってみることにした。

XR-2209は、RJBさんのページに詳しい。pcm1723さんも、RJBさんの記事を受けて、「アナログシンセの VCO ブロック」 というエントリーにまとめられた記事の中で内部動作の解析をされている。また、XR-2206についても、 XR-2206の専用のエントリーを作られて、houshuさんの、「仕様書に出ている内部等価回路にはミスがあるのでは?」という疑問に答えて、仔細に解析された記事のほか、出ないはずの鋸歯状波をひねり出されたりなど、ICの内部を研究された成果を発表されている。

予備実験

test 回路
問題があって、三角波が出ないテスト回路

とりあえず、仕様書の図面をみながら、ブレボでサンプルの回路を組み立ててみる。
これで、矩形波は出力される。時期を同じくして、 pcm1723さんhoushuさんがICの動作を解析されているようで、遠くからの援護が心強い。
仕様書の図面をみながら、ブレボしてみたのだけど、思ったとおり動かない。というか、pcm1723さんが解析されている通りの動作をしているのに、なぜか、三角波だけでない。ブレボに組み立てたとおり、図面を起こしなおしてBBSの方に投稿したら、XR-2206の3番pinの配線が間違えてると、pcm1723さんからご指導いただいた。
単純に僕が仕様書の図面をみまちがって組み立て、間違った組み立てをみて間違った回路図を描き直した、ということだった。この50kのVRの動作は、出力の振幅を定義する抵抗で、バイアスに対して0Ωなら、振幅は0。以降、三角波なら、1kあたり、160mVづつ、振幅を増やすことができる。仕様書4ページ目の大きな表の「Triangle Sine Wave Output」の中のTriangle Amplitude / Sine Wave Amplitude という項目で定義されている数字。その下の数字がどうがんばっても6V以上は触れないことを示している。要するに、37.5k以上の抵抗をつけると、くりっぷしますよ、ということ。
僕のミスは、ここ、Cで交流的にショートしてあるので、言われたとおり、振幅が0V三角波を出していた状態。仕様書の図面のCは、バイアスを作っている、R6と並列に(バイアスから交流分をすてるために)Cを入れなければいけなかった。仕様書がちゃんと読めて、ICの内部動作が分かっていればありえないミス。幸いにして、ICは壊さずに済んだ。
RJBさんの書かれたブログのエントリー、「XR-2209」の中でScott Stitesさんの書かれたXR-2206 Based Voltage Controlled Oscillatorというページが紹介されてる。これは、Thomas henrry氏が出版した書籍に紹介されたVCOを組み立てる記事がで、この中でXR-2209にアンチログ回路をつなげた図面が紹介されている。
これを参考に、アープのVCOに使われていたPNP+NPNマッチドペア式のアンチログ回路を仕込んでみた。なんとなく5オクターブの音域がだせるのだけ確認した。厳密にはNPNとPNP、さらに、R3の熱結合もしなければ、リニアリティの検証とかできないし、実際の組み立てでは、NPNとPNPは適当に選んだ2個を使っており、マッチしたものは使っていない。インピーダンスをあげるために、エミフォロも入れた、指数的に変化したら、ラッキーぐらいに使うつもり。

組み立て

蛇の目基板で配線。最初はジャンパーから
蛇の目基板で配線。最初はジャンパーからが基本。
ソケットの位置をマークしたのに、ミスってて全然参考になってない!

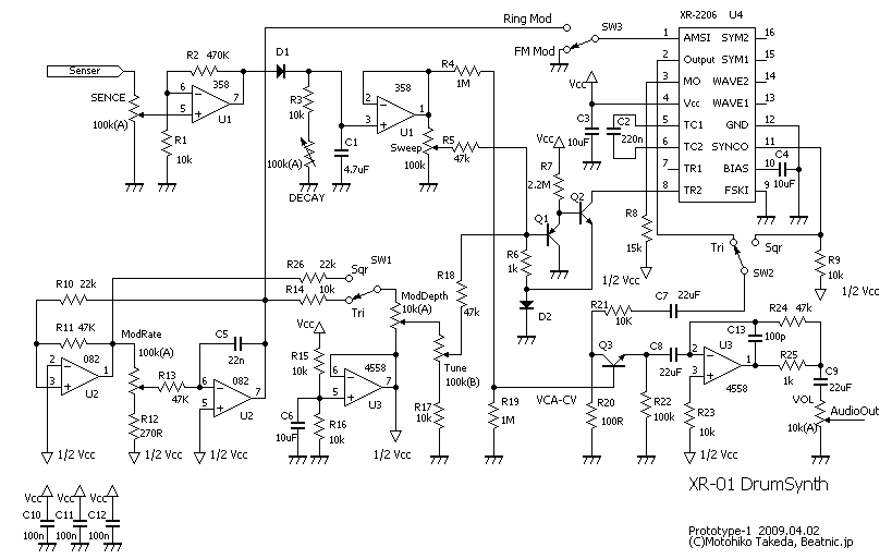
プロトタイプ1号機の回路図がこちら。蛇の目基板に組み立てる前に、図面を書いては、ブレッドボードに組み立ててみて、一つでも部品点数を減らせるようにまた、図面を書き直して組み立ててを何度か繰り返した。
最初は、C1直後の、オペアンプは、トランジスタを2個使ったバッファアンプを入れ、バイアスをドライブするU3は、C、1発で済ませトータルでオペアンプはDualが2発プランだったのだけど、バイアスの安定化の為に、数百マイクロのCが必要。なんか、そんな巨大な部品をPCBに乗せるぐらいなら、オペアンプを1発入れたほうがシンプル。結局、トランジスタ2発のバッファアンプも実はオペアンプを使ったほうが部品点数面でも有利になった。結果論だけど、良くみるドラムシンセのクローンの回路とそんなにかわらない。

プロトタイプ基板に部品が全部乗ったところ
実際に音を出してチェックするために組み立ててみたプロトタイプ。

R8を0Ω同然にして、「出力が出ないー」とはまった経験が生きて、ここ、1Mとかにすると、出力は完全にクリップして矩形波が出ることに気が付いた。転んでも泣かない。というか、地面に八つ当たり式で、波形の切り替えはこの抵抗を切り替える事で実現してやろうかとかかなりマジに考えたが、高級な測定器にも使われるかもしれないチップの使い方としては、あまりに下品。エレガントさに欠ける。R9を1本増やしても、ICの持っている機能をきちんと使ってやるのが、スジかなとか。実は音聞いてみたら、やぱ、ちと甘い感じ。矩形波ッぽさは、やはり、こちのほうがよさげという判断もあった。
ブレッドボードでOK!と思って、実際に蛇の目に組み立ててみたら、音が下がりきらない。コンデンサを大きくするにも、PCBからはみ出すとか、ちと困る。 いや、0.22uFぐらいのフィルムコンデンサはどこででも買えるのだけど、耐圧50V程度の小型のものは、0.1uFぐらいまで。これ以上だと、耐圧が100Vとか250Vとかになってしまい、いきなり巨大になってしまうのだ。入手製のいい部品をとるか、回路の安定性をとるかで、ちょっと悩んだポイント。

コンデンサのバリエーション
コンデンサのバリエーション。サイズ的に左から2つ目、3つ目がOK。
左の二つは、0.1uF。サイズがかなり違う。

狙いの周波数を出すのに、R7に4.7M、C2に0.1uFが必要。抵抗を2.2Mにすると、Cはサイズ大き目の0.22uFが必要。基板には、0.22uFのフィルムコンは入らないかもしれない。ただ、4.7Mとかの抵抗とか、5年間のホコリが積もって湿り気を帯びましたーとか、まかり間違えば、基板そのものが持っている抵抗とほとんど一緒。何がおこるか分からない、...というわけで、ぎりぎり2.2Mとと、0.22uFという選択におちついた。(このあたりは、いつもの通り、オッショさんにご指導いただきましたー)
PCBパターンには、C2にパナソニックの超小型のフィルムコンデンサ ECQVシリーズ使った。僕にとっても、虎の子のラストワン!手持ち使い切っちゃった。同じもん作るには、部品探さなきゃいけない。 0.22uFのフィルムコンをちょっとさがしてみたが、千石電子通商では通販のカタログに出ていないが、店頭ではニッセイ電気株式会社の0.22uF/50Vが買える。メーカーのカタログからは消えているようなので、店頭在庫のみなのかもしれない。耐圧50V程度のフィルムコンは、思いがけず、この辺の値はメーカー作っていなくて、樹脂ディップ積層形が手に入れば、比較的小型、この用途にもばっちり。秋葉原の店頭では見かけるので、通販ではサイズを問い合わせながら買い物すればいいと思う。

基本的にタイミングを決めるCは、その性能がそのまま発振器の性能になってしまうので漏れ電流が少ないものを選ぶ。
ここは両端の電位の絶対値が1サイクル単位に入れ替わるので極性のあるCは使えない...はずだけど実は試してみたらケミコンなら使えた。タンタルはきっと使えない。(てか、きっと壊れるので試してない)。

opampのバリエーション
opampのバリエーション。ここでは082じゃなくて、072。
どしても手に入らないようなら、0.47uFのケミコンを直列にして無極化してつかうか、0.1uFのフィルムコンデンサを並列にして使う。ちなみに、ポリプロピレンフィルムと、ポリエステルフィルムは、温度係数が逆なので、あわせて使うと、それぞれが、それぞれの温度変動を相殺するので、温度変化に強い発振器になる。ただ、この回路には他にも温度変動で周波数を揺らす部品がたくさんあるのでワンポイントでこだわるだけじゃだめ。トータルでみる目線と、ため息をつく勇気を養うべき。メーカーのカタログを見ると、この用途を狙って、2種類の素材を混ぜたコンデンサも作っているようだけど、別途営業に問い合わせらしい
オペアンプには一つづつ、積層セラミックの0.1uFのパスコンを入れる。C10-11。メーカー製の製品が一番最初に手をぬく部品。ここに手を抜かないのがアマチュアの誇り、ということでよろしく。手に入れるモノによってはリードが整形されているので、ラジオペンチで綺麗に整形しなおす。
オペアンプは、適材適所で3種類を使い分けた。358と4558の手持ちが切れたので、4558は追加で買ったけど、358はもういいかーと買わなかったのでこんな構成になった。
EGの入力段は、単電源オペアンプ、0Vから動くのを期待した回路。オーディオ周りは、おなじみ、4558。CVは082。072や、062でもOK。全部358でもOKかなと思いつつ、4558の代わりに358に差し替えたら、別ユニットを1/2Vccをドライブするボルテージフォロワに使っていて、出力のタフさに欠けて回路全体のバイアスを支えきれなくない。動作メロメロ。変な音を出したい人には大喜びで勧めるけど、マトモには動かない。逆にU1は、単電源で使って0Vがちゃんと出る358限定。
4558を、オッショさんが「勧めキャンペーン中」の4580に差し替えると、全体に輪郭がはっきりした印象の音になる。高価な部品ではないので、差し替えて楽しんで欲しい。

実は、どしても、100Hz以下出したいーっと、色々やってるウチにアンチログのTR飛ばしたり、ちびっと、目が汗をかきそうになった。とりあえず、2M以上の抵抗は使わない方向で、さらに、流す電流をケチるべく、アンチログのトランジスタのエミッタに、ダイオードのゲタを履かせてみたりして。
雰囲気こんな感じという図面が引けたら、定数はヘボ大工よろしく、現物あわせ。エレガントさが...とか言ってる割には、やってることは、結構、とほほ。手で考える典型ともいえる。

プロトタイプ完成!

ULT-SOUND
YMOも使っていた「ULTSOUND」のDS-4 Custom(写真提供:MC-4氏)

細かいパネルの操作性、ノブの動きと、パラメーターの変化の具合などを確認するのに、パネルのデザインも平行した。

先に紹介した、Amdek PCK-100 Percussion Synthesizerや、Pollard International社製 Syndrum Quadのパネルを参考にしている。
写真は、実際にはデザインのときに参考にはしなかったのだけど、このページをみて下さった方が、「この写真を使ってくれっ」、と送ってくださった、国産のドラムシンセ、YMOも使ったという伝説の「ULTSOUND」のDS-4 Custom。ちなみに、RJBさんも、「ULT-SOUND DS-4の分解」という記事で詳しくチェックされている。(プロミューザーという機種だそうだ)いや、貴重なお宝楽器、普通は分解しないよな...でも、分解しなきゃ、DIYerとしての軸が...いや、それはともかく...。
プロトタイプ用のパネルは、紅茶の空き箱を張り合わせてボール紙のパネルを作ってみたのだけど、これにVR用の丸穴を開けるのはスゲエ大変。カッターで一つづつ丸穴を抜いた。はっきりいって、アルミ板にドリルでサクッといくほうが楽。ひょっとしてホルソーなら、いけたのかもしれない。
PCBに乗らなかった部品をパネル面の、スイッチやボリュームの端子を使って空中で配線する技法を使うので、可能かどうか事前に確かめたかったと言うのもある。

ボール紙パネルのテストパネル
プロトタイプとして、ボール紙でパネルを作ってみた。

ケースは、2プラン考えた。YM-150(150X100X40)でpARMとサイズを合わせる方向と、他にとりえも無いので、小さいケースとしてのYM-130(130X90X30)プラン。
特に、写真のYM130プランでは、ロータリースイッチが入らなくて、オシレーターの波形の選択のスイッチはトグルスイッチを2発に分けたけた。プロトタイプ回路では、矩形波にはリングモジュレーションは掛からないので、源波形に矩形波を選んでいるときに、ringのスイッチを入れても、音が何も変わらない。
実は、これ、かなり悩んだポイントの一つ。スイッチを入れると言う行為が音の変化につながらないという操作系は、可能な限り避けたい。打てば響く、シンセ、(いや、ドラムシンセだから、当たり前と言えばアレだけど)なんかやれば、必ずなにか音に変化起こるようなパネル設計がベストだと思う。
ちいさなケースに入れるために、トグルスイッチ2発に分けたけど、この時点では、一回り大きなYM150を使って、オシレーターの波形選択のスイッチには、リングモジュレーションの時は源波形に三角波に自動に切り替わるようにして、リングモジュレーションは、ウエーブフォームの切り替えとして表現するほうがいいな、と思っていた。

改造

たとえば、シンセのフィルタのフリーケンシーのつまみ。操作を誤ると音が消えてしまう。先の波形の選択スイッチ同様、せっかくなんか操作したのに音が変わらないとか、音が消えるとか、やだなと思う。「いままで出てた音を消す、または、聞こえない音を出しているんだ」という解釈に救いを求めつつも、実は自分の中でしっくりきてない。
以前、スタイナーのフィルターを組み立てて、フリーケンシーのつまみを絞りきっても音が消えない設定のパネルを作ったら、大変な不興を買った事がある。音が消ええるところまで絞れなきゃフィルターとはいわねえだろう。いや、その通りなんですけど..。
まあ、ボリュームのつまみだって、絞りゃ、音消えるもんなあ。母さん、母さん、おなかと背中がくっつくぞ!子供の頃、その状況をイメージできなくて、腹が減りすぎると、全身がでんぐり返るのかもしれないと、本気で腹ペコになって目を回したり、シャボン玉を飛ばしたら、屋根まで一緒に飛ぶんじゃないかと、気合入れて吹きすぎて、ちっともシャボン玉は飛ばなかったりとか...。
パネルに並んだ2つのスイッチを見ながら、人の解釈を受け入れることで、少しずつ大人になっていくんだなあ、おりしも、清志郎の訃報が届いたりして、奴はえらかったなー、とか物思いにふけっていたら、オッショさんが、「ダイオード1発で、矩形波に、モジュレーションかけられますよー!」と声を掛けてくださった。
キャリアの矩形波を作っているオープンコレクタに供給する電源を、LFOの矩形波がLowになったときオペアンプに吸い込ませることで、LFOの周期にあわせて、矩形波の振幅を変えるテクニック。本来、リングモジュレーションは掛け算するのだけど、矩形波同士なら排他的論理和を取れば同じことが実現できる、ここではさらに簡易的に論理和を取る方式。リングモジュレーションとは違うけど、似たような音を出すのが狙い。

Cool Struttin' ~ Sonny Clark
Cool Struttin' ~ Sonny Clark
オッショさんは、電源チョッパと名付けてらして、パネル表示的にはウソになるけど、効果としては似たような感じでかつ劇的。 要するに、矩形波のときに、リングのスイッチを操作すれば、なにか音が変われば満足なのだ。
早速この改造を取り入れさせていただくことにした。
さらに、一切エフェクターをかけず、ヌードでならしてみると、なんというか、ケツがでかい。denha さんの一連のドラムシンセの音が、ソニークラークの「クール・ストラッティン」だとすれば、この足の変わりにドラえもんの足が見える感じ。
あえて、入手が難しくなっていくに違いない3080を使わずに、たぶん、この先もずっと手に入るに違いないシンプルなトランジスタを1発だけ使った簡易VCAで勝負のつもりなのに、ドラエモンって、どーよ。なにやらひずみっぽくて、ポーンポーン、じゃなくて、バウーバウーみたいな感じに聞こえる。
この回路は、korgのMS-20の回路を元にアレンジしてある。図面の右下のほう出力部分の直前。
一般にトランジスタは、ベースにバイアスを乗せて、電流を変化させるとその変化が、hFE倍になって、コレクタ・エミッタ間に現れる。この経路に抵抗をつけて電源と接続し、抵抗の両端に電位差が出るのを捕まえて増幅動作を行う。
トランジスタの特性表の一部
2SC1815の特性表の一部
一方、この回路は、逆にベースに一定の電流が流れるように固定しておき、コレクタに電流の変化(オーディオ信号)を与えることで、エミッタに現れる電流の変化を、100k(R22)の抵抗に流し、そこに表れる電圧の変化を、入力インピーダンスの高いオペアンプで拾い上げる。で、ベースに流す一定の電流をEGで変える事で、コレクタ・エミッタ間に現れる電流の変化量を変えて音量の変化を作る、ように見える。
図は、東芝のNPNトランジスタ、「2SC1815」の特性表の一部。コレクタに流れる電流量と、コレクタエミッタ間の電位差のグラフ。複数見えるラインはベースに流れる電流。この回路は図の赤丸のあたりの部分、メーカーですら、そんなところの特性は重視してないようなところの特性を使って動作する。
実は、赤丸の部分、トランジスタがトランジスタ的な動作、複数見えるラインが定電圧性を示す(電圧が変わっても電流が変わらなくなる)以前の部分ではトランジスタの、コレクタエミッタ間はほとんどダイオードと同じ動作になる。コレクタに掛かる0V以下の信号も、0.6Vを超えるまでは流れる。ここでは、抵抗と同じような動作、つまり、電圧をかければ、かけただけ電流が流れる状態になっており、さらに、この抵抗モドキの値は、ベース電流で制御することができる。
というわけで、実は、この回路は、トランジスタの、コレクタエミッタ間にできる抵抗モドキと、R22でアッテネータになっていると理解するほうが正しい。
この回路が意図した動作が期待できるのは振幅は0.6V以下。グラフの赤丸の中、まったく読めないが、ここのカーブ指数的なカーブを持っているので、どうやってもひずむ。それなりのリニアリティを求めるなら、振幅はもっとケチらないとダメ。さらに、ベースに流す電流の微妙さによる部分がある。

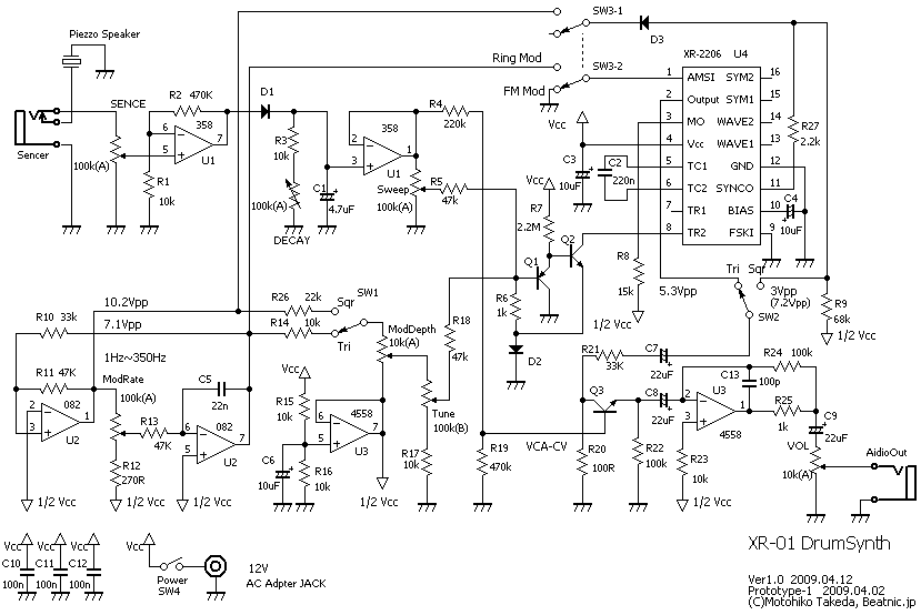
XR-01 Version1

配線中のパネル
ミスってR14とR26が入れ替わってる。配線中のパネル(クリックできます)

プロトタイプでの実験を受けて、オッショさんのアイディアをも盛り込んでVerson 1.0に格上げして再検討。PCBレイアウトは、プロトタイプとほぼ同じ。

ブレボでチェックしてたときには気が付かなかったのだけど、矩形波と、三角波の音量差がでかすぎて、ちと使いにくいかも。レベルはどちらも6Vpp程度出るはずにしたのだけど、良く考えたら、オーディオとして聞くのなら、音量は、実効値の比で考えなきゃいけなくて、矩形波、サイン波、三角波、それぞれ、100%、71%、50%ということで、矩形波は三角波に対して1/2でないと同じ音量には聞こえない。
仮公開時にご覧いただいたgenieさんから、こっそり、「C6は、無くてもいいんじゃない」と耳打ちいただいて、検討してみた。>(XR-2206プランに早い時期から、ご支援いただいた。ちなみに、パネルへ張るステッカーは彼が2007年ごろに紹介された「Genieメソッド」を使わせていただいている)

PCBを起こしてみた
PCBの写真(クリックできます)
PCB上を這い回るライン(トレース)が拾った高周波系のノイズを捨てる意味で0.1uFの積層セラミックを入れるのには積極的な意味があるかも知れない。ただ、ACアダプタのクオリティーが思いっきり出ちゃう部分でもあるので、ここは、こっそり入れさせてもらおうと思う。
さらに、VCAの入力レベルを下げて、TRのひずみを外し、下がった音量は最終段のゲインをあげてみたら、それまで気にならなかった色々なノイズが出力に混じる。たとえば、LFOの漏れ。音が出てないはずの状態で、LFOのスピードをあげると、最高速周辺でミュイーっという音が聞こえてくる。
LFOは、積分器の緩やかな動作と、コンパレーターの急激な動作の組み合わせで動作しており、特に、急激な変動は、電源にノイズをばら撒く。基本的には電源にノイズ対策をしてこのノイズを外すのが正統派。
また、終段のゲインを上げたので、Tuneのつまみにあわせて変化するミーッという音が聞こえるかもしれない。VCAが音量を絞りきれていない、または、電源にのったノイズが電源ラインを経由してVCAの動作を揺らしている状態。「軸のブレを波動と考える」勇気も、時に大事。

ヒステリシスつきのコンパレーター
ヒステリシスつきのコンパレーター

あと大きな問題点、リングモジュレーションしたときの音量ががっくり下がってしまう。これは、XR-2206の仕様書を見なおしてみる。
仕様書7ページ目の一番上右側のグラフ(Normalized Output Amplitudeversus DC Bias at AM Input (Pin 1))から、ここに掛かる電位で、増幅率が連続的に1から-1まで変化することがわかる。-1を掛けるのは符合が変わると言うことで、信号的には位相が反転する。
バイアスポイント(6V)から、-4Vから+4Vまでかわるのだから、2Vから10V(振幅は8V)の電圧を入れると、2Vから6Vに近づくとその振幅が0になり、そこを超えるとさっきと逆の位相の信号がでてくる。ということで、リングモジュレーションの出力を上げるには、モジュレーター(ここではLFO)の出力振幅を増やせばよさそうだ。
で、LFOの出力を見直す。
回路の構造としては、コンパレーターの出力を積分し、その出力をもう一度コンパレーターに戻すという方式。回路的には、U3のアウトが1pinのオペアンプがヒステリシスつきのコンパレーター。このLFOの最大振幅は、R1,R2(XR-01ではR11とR10)で定義されるヒステリシスの敷居値(Vth、VTLとVULで決まる)に依存する。R2を決めて、適当なR1を代入しながら見当をつける。R1とR2を一緒にすれば、目いっぱい振れるけど、そうは問屋が卸さない。実際の組み立てでは、R1はR2の80%ぐらいが上限になる。オペアンプの機種による。ちなみに、R1,R2それぞれ、22k、47kなら、振幅は、3.6V程度
VHと、VLはオペアンプの機種に固有の数字。072を12Vでうごかすのなら、それぞれ、11Vと1V程度。本当は振幅に8Vほしいところだけど、計算どおり7V程度の振幅が出たので、勘弁してやることにする。

空中配線周辺
空中配線周辺(クリックできます)こちらが正しい。ダイオードの向き、要チェック!

ケースに入れる際、R14、R17、R26、D3は、古式ゆかしい真空管アンプの組み立てよろしくパネル面でハンダ付けする。
R14、R26は、それぞれ、LFOの三角波/矩形波のモジュレーション量のMAXを決める。小さくすれば、より揺れる。モジュレーションの深さの設定のVR、10kとの比で決まる。両者に差をつけたのは、どうも矩形波のモジュレーションって、派手。なんか、掛かりすぎで使いにくかったから。バリエーションを付けやすいところなので挑戦してみて欲しい
R17は、Tuneの最低周波数を決める。小さくすれば下がるが下げすぎると、最低音を出しているときにLFOのモジュレーションが掛からなくなる。
C1には、漏れ電流の少ないタンタルコンデンサが使える。また、先にも出たC7,8,9は、微弱なオーディオ信号を通すのでオーディオ用という高級なものを使うといいかもしれない。
この辺まで来ると、組み立てによって、微妙な差が出てくる。そうならないように設計段できっちりやるのが、プロ、メーカー製のすごいところ。
これらの症状が出ない/気にならないように、微妙に増幅率を下げたり、アッテネーターの比率を上げたり、配線の経路を変えてみたり、最終的に必要な振幅が取れるかどうか心配したりが、仕上げの工程、手作りの醍醐味。

センサー

バックパネルの配線
バックパネルの配線)(クリックできます)

「華麗なバチ捌きで演奏したい。だって、シンセとはいえ、パーカッションだしぃ」というムキは、外部センサーを使えるように、センサーの配線は、スイッチ付きのモノジャックを手に入れる。
手に入れたジャックをテスターで当たって確認する。プラグを突っ込み、プラグのグランドと導通がある端子はそのままグランド。チップ部分と導通がある部分はAとする。残りはスイッチ入力のはず。コレをBとする。一度プラグを外し、AとBの間に導通が在るのを確認。プラグが抜けている間は、Bに接続した入力が、Aから出てくる。で、プラグを入れると、AとBの導通は切れる仕掛け。
センサーのVRはAへ、センサ本体はBの端子へハンダ付けすれば、プラグが刺さってなければ、センサのラインはVRへ。プラグを突っ込めば、プラグのチップがVRに接続される。
自分が手に入れた部品を良く見てみる。中身をじっくりみれば、あ、なるほど、ここがコーなって、アーなるのかと言うのが見えてくる。さすがにトランジスタの中を見ても(見えないけど)わかんないけど、この手の部品は、よく見れば動作がイメージできる。手に取って見られる具体的な形を持った部品を、頭の中で抽象化して、回路図のどこにどー当てはまるのかを見極めていくのが、初心者脱出の第1歩だ。さらに、テスターをあてて、自分のイメージした動作になっているかを確認すると、一人前といえる。まれに、まるで、スイッチつきモノラルジャックのフリをしたスイッチなしステレオジャックだったりすることがあるので、騙されないようにする。秋葉原をぶらぶら歩きながら、アー、これ安いー!とか手に入れた部品には良く騙される。だから安かったのかーとか...こうして、ひどい目にあいつつ、一人前になったりして
センサーは、秋月電子通商の「ムラタ圧電スピーカー」と言うものを使った。2こで100円。一つは内蔵用、一つは外部でウッシッシ。オシロを付けてケース本体をぶつと、数Vの電圧がバシっと出る。圧電素子を使う場合に限っては、特に増幅掛ける必要が無いかもしれないぐらいの電圧は出ている。 圧電スピーカーでなく、普通のスピーカーも使える。オリジナルのシンセドラムはパッドの中に、スピーカーが入っているんだそうだ。圧電素子のメカ的な振動だけでなく、太鼓の中に仕込まれたスピーカーが空気の振動も込みで、叩かれた状態を拾うからか、圧電素子より、表現力豊かなのだそうだ。より大きなダイナミックレンジを長時間にわたって表現すると言うことだと思う。
また、これらのオーディオ信号の代わりに、電気パルスを入れるだけでも動作するはず。MIDIで動作せるのに、このテクニックも試してみる予定。

チデジ化じゃなくて、MIDI化

なんてな事をやってたら、阿部さんの掲示板に、興味深い投稿が...

投稿の趣旨とはちょっとずれるんだけど、古いリズムマシンをMIDIで鳴らすためのメカとして、オッショさんが自前開発されたMIDI To Gate Converter。が紹介されていた。ページはこちら。 オッショさんの版はMIDIチャンネルが切り替えられて、8のアイテムをドライブすることができる。僕も、いくつもある頓挫したプロジェクトの中で、似たようなものを開発中だったりしたのだけど、目前のMake: Tokyo Meeting 03に間に合わせるには、コレをりようさせていただくのがベストかもしれない。

仕様

ケースに組み込んだXR-01
ケースに組み込んだXR-01

XR-01 DrumSynth

メインオシレーター50Hz~1.2kHz(3kHz)
波形切り替え三角波/矩形波
モジュレーション1Hz~350Hz
モジュレーション波形三角波/矩形波
スペシャルRingModulation(三角波)/電源チョッパ(矩形波)
出力インピーダンス10k(2Vpp)
電源12V / 20~23mA

改造-モジュレーション波形の追加-

パルスLFO
パルス幅可変LFO(クリックできます)

このプロジェクトの発端となった、denha さんが、このプロジェクトを追試くださっただけでなく改造してくださった。
MS20のLFOの回路を元に、三角波と、矩形波だけでなく、鋸歯状波も出るようにされている。
このLFOは、スレッショルド付のコンパレーターと、積分器の組み合わせをループさせて動作しているのだけど、積分器の放電する方向のみ、ダイオードで制限してやるという物。
実はこのプロジェクトの半年ほど前(2008年の秋ごろ)、氏が、アナログステップシーケンサを設計されていた頃、テンポに依存し無いように、それぞれのステップの音符の長さを変更したいという要求に応えて、一切テストして無いのだけど、考えた回路がこちら。これのR5/6を切り替えることで、のぼり鋸と、くだり鋸の波形を出すようにしたようだ。
改造された、図面と、動作中のデモンストレーションははこちら。

謝辞

このページは、文中にも何度も登場する「阿部さんの掲示板」こと、アナログ震世界のアナログシンセ掲示板に2009年4月9日に投稿させていただいた記事を中心に加筆・修正し、当記事にいただいたコメントも織り込んでまとめなおしました。掲示板にコメントを投稿いただいた皆様には、いつも熱いご指導をいただいております。改めて御礼申し上げます。ありがとうございます。
本文中に何度か登場する「...としての軸がぶれている」は、TVアニメ「さよなら絶望先生」の主題歌で、大槻ケンヂ氏が絶叫する歌のタイトルのもじり。氏のパフォーマンスおよび、三柴理氏のピアノに謹んで敬意を表します。